OMEGA
- feronerie de siguranta inca din
1994!
+40 720 722 691
|
+40 722 301 390
Menu
Despre noi
Promotii
Noutati
Distribuitori
Cum cumpar
Contact
Login
Inregistrare
Wishlist
0
Nu ai nici un produs in lista
×
Inregistrare
Câmpurile marcate cu * sunt obligatorii
Puterea parolei
INREGISTRARE
Multumim pentru inregistrare!
×
Login
Câmpurile marcate cu * sunt obligatorii
LOGIN
Te-ai logat cu succes!
×
Ai uitat parola
TRIMITE
Parola dvs. a fost modificat cu succes. Nouă parola a fost trimisa prin e-mail. Verificați si dosarul spam!
USI
Usi Tehnice Rezistente la Foc
PROGET si UNIVER
Usi Tehnice Multifunctionale
PROGET si REVER
Usi Metalice Ninz
ACCESORII USI
Bare Antipanica
cu Broasca Ingropata
Aplicate
Amortizoare Inchidere Usa
Aplicate
De podea
Ingropate
Balamale
Broaste de garaj
Cu inchidere 2 puncte
Piese de schimb si Accesorii
Broaste, Yale mecanice
Ingropate pentru Cilindru
Ingropate pentru Wc
Aditionale și Auto-Moto-Velo
Ingropate pentru Cheie
Ingropate Cheie B Dubla
Chei brute
Cilindri
Profil Normal
Profil Amprenta Cisa Astral
Profil Special
Pentru Usa Wc
Accesorii cilindri
Dispozitive Deblocare Usa
Lacate
Bareta Standard
Bareta Lunga
Bareta Orizontala
Armate
Accesorii
Auto-Moto-Velo
Manere
Alama
Aluminiu si altele
Protectie Antiefractie
Inox
CONTROL ACCES
Interfoane
Videointerfoane
Broaste, Yale electrice
Broaste si yale electromagnetice aplicate
Broaste si yale electromagnetice ingropate
Zavoare Electrice
Zavoare
Electromagneti si Accesorii
Electromagneti
Tastaturi, Carduri, etc.
Bolturi Electrice
Surse de Alimentare
Manere Control-Acces
Sistemul hotelier "Dorlet"
ENERGIE VERDE
Stalpi Solari
Panouri Solare Apa Calda
ACCESORII PORTI, GARDURI
Accesorii Porti Batante
Manere
Pivoti
Zavoare
Broaste
Balamale
Roti din otel zincat
Varfuri pentru gard tip lance
Accesorii
Kit-uri pentru autoportante
Accesorii Porti Culisante
Placi de Ghidaj Superioare
Sina Glisanta ?i Cremaliera
MECANISME DE RIDICAT
Mecanisme de ridicat Electrice
Mecanisme de ridicat Manuale
ALTE PRODUSE
Seifuri
Cutii cu valori
Cutii de chei
Cutii postale
Accesorii mobila
ALARME PENTRU CASA
Accesorii baie și bucătărie
Evacuare Fum
Sisteme Electrice
Accesorii, Piese de Schimb pt Automatizari
Bat Sanitare
Bucatarie
Baie
NOUTATI
Produse Noi
Home
|
Accesorii usi
|
electromag și antip 1044
ELECTROMAG ȘI ANTIP 1044
74 EUR
(fara TVA)
Cod produs: 1044
Producator: NINZ- Italia
Cantitate:
ADAUGA LA LISTA DE CERERE
Wishlist
Rating:
Adauga un review
Nici un review
ADAUGA UN REVIEW
TRIMITE
DESCRIERE
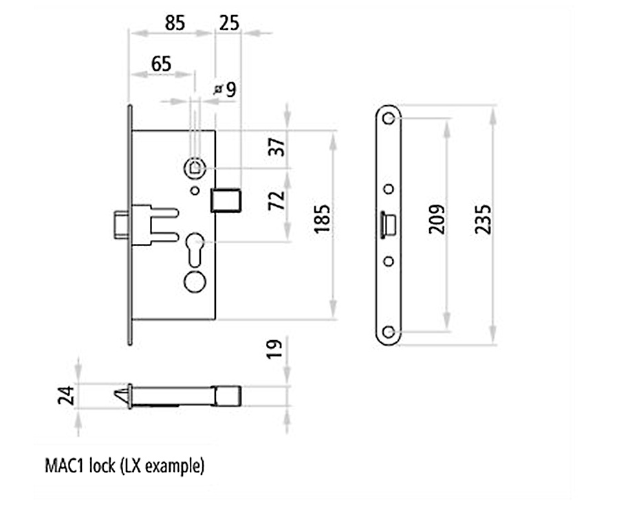
Ninz 3201001.041 MAC1 Broasca electromagnetica antipanica, 65/72
PRODUSE RECOMANDATE
R 12-11
33 eur
(fara TVA)
>>
VEZI DETALII
Justor 0112/0212/0319
39 eur
(fara TVA)
>>
VEZI DETALII
AP22CL
2.5 eur
(fara TVA)
>>
VEZI DETALII
Kale 155/B
5 eur
(fara TVA)
>>
VEZI DETALII
MIDI 7 WC, skin pack
8.1 eur
(fara TVA)
>>
VEZI DETALII
Art. 8
7.25 eur
(fara TVA)
>>
VEZI DETALII
CODKEY LS110390 90 (30+60)
48 eur
(fara TVA)
>>
VEZI DETALII
07558.01 si 07558.02
13.2 eur
(fara TVA)
>>
VEZI DETALII
EZ-5
3.7 eur
(fara TVA)
>>
VEZI DETALII
IBFM 9860
7.9 eur
(fara TVA)
>>
VEZI DETALII
IBFM 9980
16 eur
(fara TVA)
>>
VEZI DETALII
Vienetta 1062
20.5 eur
(fara TVA)
>>
VEZI DETALII
Beta 1087
17 eur
(fara TVA)
>>
VEZI DETALII
Lybra
205 eur
(fara TVA)
>>
VEZI DETALII
803 R (L)
20 eur
(fara TVA)
>>
VEZI DETALII
Produsul a fost adaugat in wishlist cu succes!
Produsul a fost adaugat la lista ta de cerere cu succes!
Opinia dvs. a fost trimis!