OMEGA RL 037_1

110 EUR (fara TVA)

Cod produs: Omega RL 037_11

Producator: OMEGA, Romania

Cantitate:

Rating:

Adauga un review

Nici un review

ADAUGA UN REVIEW

Kit videointerfon color, TFT 7??, camera CCD


RL-2TV27,RL-2TV37,RL-027-1 RL-037-1 are suitable for the villa with one outdoor unit two indoor units.Sounds from two indoor units will be heard and image will be seen from the video indoor unit when someone presses the button of outdoor unit.

Camera of outdoor unit is adjustable in four directions:up,down,left and right for best view.

No radiation,low power consumption and high definition 7-inch color video image.

Waterproof aluminum-alloyed outdoor unit.

Hands-free intercommunication.

Electric-controlled door release function.

Monitor the gate.

Eight different chord melodies for option.

Adjustable chroma and brightness.

Adjustalbe volume of melodise and intercommunication.

Enclosed 15m cable and adapter for DIY.

Slim-fit designed aluminum alloyed indoor unit to enrich the fachionable and luxurious life.

.


.

INSTRUCTIUNI DE UTILIZARE Videointerfon COLOR Omega RL 037-1





Caracteristici Generale:

1. Unitate interna cu un design modern si materiale constructive de noua generatie
2. Unitate externa din duraluminiu rezistenta la oxidare,apa si agresiuni.
3. Ecran color TFT cu diagonala de 7”(~17,8cm),de inalta definitie,fara radiatii si consum redus
4. Camera video a unitatii externe este de tip CCD,rezolutie orizontala 420 linii TV,300.000 pixeli si unghi de 92?
Pentru o vedere ideala poate fi reglata mecanic pe 4 directii : stanga/dreapta , sus/jos.
5. Comunicare tip „maini libere” (hands-free)
6. Unitate interioara cu buton pentru actionare’deschidere” broasca electrica.
7. Monitorizarea zonei din raza camerei video.
8. Opt melodii de apel la alegere
9. Volum reglabil al melodiilor de apel
10. Reglaj culoare si stralucire
11. Cabluri incluse de 15m x6 fire de 0,3 mm pentru interconectare video si 15m x 6fire pentru conectare audio
12. Unitatea interna poate fi montata pe perete.



Unitatea externa :
* Vizibilitate pe timp de noapte (infrarosu) de max: 4m
* Autofocalizare imagine
* Temperatura lucru - 10 grd.C - 50 grd.C
* Rezolutie : 420 linii TV
* Dimensiune FRONT: latime 110 x inaltime 157 x adancime 46 mm
Dimensiuni partea din spate(care intra in coverul antiploaie)
Latime 101 x inaltime 149 x adancime 28mm
* Posibilitatea reglarii optime a volumului pentru difuzorul exterior cat si pentru difuzorul interior
* Ecran color TFT 7” (~ 17,8 cm) , consum electric redus, fara radiatii si inalta definitie
* Intercomunicare maini libere(hands-free)
* Deschidere broasca electrica
* Monitorizare exterioara
* Distanta maxima intre unitatile externe si interne de max:50m pe cablu de 6fire x 0.65mm²
* Consum : max 10W



Performante tehnice:
* Alimentare :220Vac - 50 Hz
* Tensiune iesire Conector 1: 15 Vca
* Tensiune iesire Conector 2: 18 Vcc
* Curent alimentare 1400mA ± 10%
* Deschidere comunicatie audio max. 120 sec
* Monitorizare video pentru max 40 sec
* Distanta lucru max: 50m pentru cablu 6 x 0,65mm²
* Consum curent: static max 0,5 W,intercomunicatie max: 10W
1. Montatii consola unitatii video interne pe perete prin prindere cu dibluri si suruburi
2. Dupa finalizarea conectarii,montati unitatea video in consola. Bagati in priza de 220 Vac adaptorul Trafo de 15 Vca si conectati fixul negru cu jack-ul la iesirea din spatele unitatii video in conectorul „mama” indentificat „AC 15V”
3. Montati consola pentru unitatea interna audio prin fixare in perete cu dibluri si suruburi
4. Agatati unitatea audio in consola dupa finalizarea conexiunilor
1. Pe partea din spate a unitatii externe e pozat un buton mecanic cu care puteti regla camera video in cea mai convenabila pozitie
2. Montati coverul antiploaie in perete
3. Inaltime de montaj recomandata e de 1,4 -1,7 m astfel incat camera sa surprinda persoana in pozitie centrala avand in vedere unghiul de 92º al camerei si o distanta optima de 40 cm
4. Demontati surubul din partea de jos a parti din fata a unitatii externe.
5. Prin scoaterea fetei metalice aveti acces la placuta pentru NUME sau/si numar casa/apartament.
Montati unitatea externa in perete
6. Montati fata metalica a unitatii externe



C. Daca distanta intre unitatile interne si unitatea externa e mai mare de 15m:
Cablul inclus in kit este de 15m x 6 fire atat pentru unitatea video cat si pentru unitatea audio.
Pentru lungimi de 15m - 50m,cablul necesar e de 6 x 0,5mm²
Pentru lungimi de 50-100 m cablul video va fi de 6 x 0,75 mm²,iar cel audio de 6 x 0,35mm²
Conectarea terminalelor 1, 2, 3, 4, 5, 6 din stanga ale unitatii video se face cu terminalele 1, 2, 3, 4, 5, 6 ale unitatii externe RBVGNM(rosu, bleu, verde, galben, negru, maro).
Terminalele 7, 8 ale unitatii interne sunt pentru conectarea broastei electrice,utilizand cablu(fir) de 2 x 1mm². Acest cablu nu este inclus in kit.
Terminalele 1, 2, 3, 4, 5, 6 ale unitatii audio se vor conecta cu terminalele 1, 2, 3, 4, 5, 6 din dreapta ale unitatii interne video
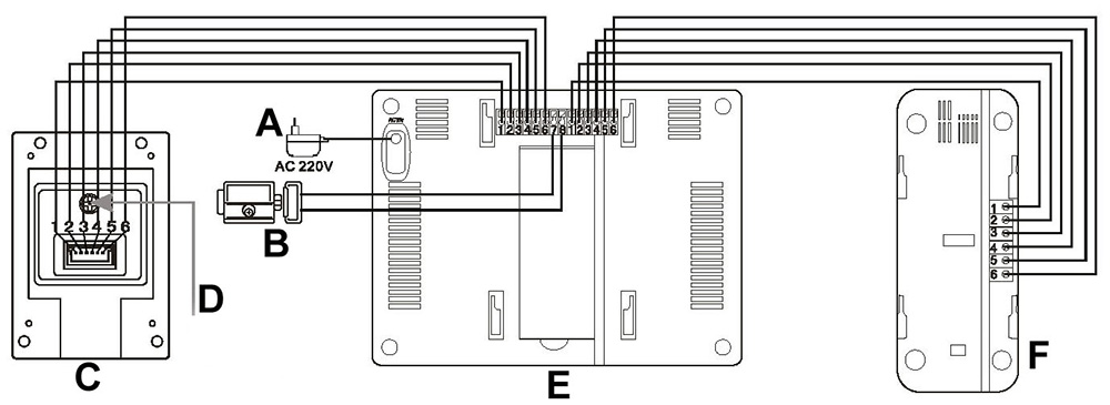
Diagrama conectare fire
A-Trafo adaptor 220Vca /15Vcc B-Broasca electrica C-Unitate externa D-Buton reglaj pozitie camera video E-Unitate interna video F-Unitate interna audio

1. Fir apel 2. Audio intrare 3. Audio iesire 4. Masa 5. Fir VIDEO 6. Fir alimentare(+ 15 V)



Utilizare:
1. Veti avea o imagine mai buna daca indepartati filmul de protectie al ecranului TFT prin tragere de banda rosie din coltul dreapta sus.
2. Apasati pe butonul de APEL (minim 1sec.) al unitatii externe si se vor auzi cele 2 sonerii ale unitatiilor interne . Va aparea imaginea vizitatorului pe ecranul video.Apasand butonul TALK dreapta de pe unitatea video veti putea comunica avand imagine video pentru aproximativ 120 sec.Pentru unitatea audio trebuie doar sa ridicati receptorul si puteti cumunica aproximativ 40 sec.
3. Apasati butonul UNLOCK cu pictograma „cheie” si veti actiona deschiderea broastei electrice
4. Apasand butonul MONITOR din stanga a unitatii video interne puteti avea imagine pentru 40 sec cu zona din raza camerei video a unitatii externe.
5. Pentru a termina convorbirea apasati din nou butonul cu pictograma „telefon”
6. Reglati din butoanele aflate in dreapta lateral: stralucire,intensitate culoare si volum convorbire
7. Selectati prin apasarea butonului dreapta-lateral jos una din cele 8 melodii disponibile cu care veti fi apelati de vizitator.


Accesorii:
- 2 unitatii interne , una video si una audio
- 1 unitate externa
- 1 transformator adaptor 220Vca / 15Vca
- 2 console pentru unitatiile interne
- 2 cabluri de 15m
- suruburi si dibluri de plastic pentru montaj




Atentie!

1. Nu instalati unitatile interioare in locuri cu temperaturi mari , umiditate mare sau aproape de televizor
2. Nu atingeti ecranul unitatii video cu mainile umede
3. Utilizati materiale(textile) fine,neabrazive pentru stergerea camerei video externe sau a ecranului TFT al unitatii interne
Este interzisa utilizarea de detergent lichid diluat sau lichide corozive sau volatile.
4. Este interzisa smulgerea sau lovirea unitatilor
5. Imaginile se pot distinge greu daca razele soarelui bat direct in camera video sau ecranul TFT
6. Imaginile pot deveni neclare din cauza interferentelor radio, a se intelege in special transmitatoare radio GSM,telefoane mobile,etc.


sigla
sigla
sigla
sigla
sigla
sigla
sigla
sigla
sigla
sigla
sigla
sigla
sigla
sigla
sigla
sigla
sigla
sigla
sigla
sigla
sigla
sigla
sigla
sigla